ASUSF3TDoes not trigger the repair
This machine configuration:PS51020 MAX8632 MAX1844Long MAX8760 ALC660
APA2035 MAX8725 BIOS (F3TC PMC-Pm39Lv040-7JCE“I. @” x b% _7 S ({
PLCCPackage)) North BridgeNV-NF-GO100-N-A2 South BridgeNV-NF-430-N-A3
APA2035 MAX8725 BIOS (F3TC PMC-Pm39Lv040-7JCE“I. @” x b% _7 S ({
PLCCPackage)) North BridgeNV-NF-GO100-N-A2 South BridgeNV-NF-430-N-A3
GraphicsNV-GF-GO7300-B-N-A3 EC:iTE-iT8510TE CPU:AMD TURION 664 +2. S [1 | & T # @, W + l * E2 x! q
When this machine to normal, according to customers that use is bad, standby current003AInstant they004A, Stops moving, press the power button does not respond to disassemble a test button3.3V, A common point18.8V,PS51020The24Feet18.8V,22Feet5VHowever,9Feet and10Pin0VAndPS51020Fever, no3.3VAnd5VOutput, South Bridge andECKai oscillator crystal are normal, visual board is brand new, no signs of moving off. Then I file a diode with a multimeterPS51020The9Feet and10Add a foot high, current up to006AStop moving,3.3VAnd5VAlso out,PS51020Not hot. This step can only show circuit and system unit3.3V、5VThe load is no problem. Or in standby circuit fault orBIOS(Because this machineBIOSAlso involved in the trigger), South Bridge can only be the last consideration.
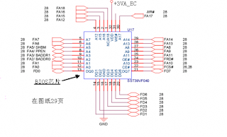
I used to have a good board with a normal test had this machine stand003A,PS51020The9Feet and10Pin3.3VThere3.3VAnd5VOutput. Know easy to handle point. We must firstPS51020The9Feet and10Repair from the foot of the control signal, we can see from the drawings9Feet and10Feet fromEC(IT8510TE) And48Feet,
Because whenECWill be in the normal work48Foot generation (VSUS_ON) High signal, this changed to a newEC, Failure remains. Would also like to point out here:VSUS_ONTheoryECGenerated, but he wants toBIOSCorrectADWill be generated after the exchange.All these are inferred, each pin of the voltage measured at that time did not go. Brush a bit soon to friendBIOS, After welding power, standby003A,3.3V、5VNormal output, triggering light machine repair success.
Drawings attached to this machine for friends as a reference, but unfortunately did not measureECAndBIOSVoltage value of each foot, or else will give friends to provide a more accurate method to judge the error of your colleagues at the criticism and advice, thank you.




