Mainboard : Circuits source for RAM and AGP
I. VOLTAGE POWER SUPPLY FOR RAM
|
RAM
|
Voltage used
|
Even
|
voltage stabilizer circuit
|
|
SDRAM
|
3.3 V
|
168
|
no
|
|
DDR
|
2.5 V
|
184
|
have
|
|
DDR2
|
1.8 V
|
240
|
have
|
|
DDR3
|
1.5 V
|
240
|
have
|
– Thanh SDRAM 3.3V using a voltage , the voltage on the motherboard is already available so there is no bar SDRAM circuit voltage stabilizer .
– The bar DDR , DDR2 and DDR3 voltage stabilizer circuit need to lower the voltage from 3.3 V or 5V voltage down and give the necessary RAM
– The bar DDR , DDR2 and DDR3 voltage stabilizer circuit need to lower the voltage from 3.3 V or 5V voltage down and give the necessary RAM
II . The faces Khe DDR voltage :
The legs of the power supply slot DDR – voltage is 2.5 V
– Slot DDR 184 feet , the voltage level is 2.5 V for DDR slots and go into a lot of leg , above the source map pins for DDR slots ( including the foot 7 , 15 , 22 , 30 , 38 , 46 , 54 , 62 , 70 , 77 , 85 , 96 , 104 , 108 , 112 , 120 , 128 , 136 , 143 , 148 , 156 , 164 , 168 , 172 , 180 , 184 )
– Note: Calculation of the leg as shown on DDR slot , RAM is divided into two zones , you have to slot DDR long zone to the left , right short zone , counting from left to right leg in the second row before order from 1 , 2 , 3 … . count to 92 then from left to right on from line 93 , 94 , 95 … . to 184 .
– Slot DDR 184 feet , the voltage level is 2.5 V for DDR slots and go into a lot of leg , above the source map pins for DDR slots ( including the foot 7 , 15 , 22 , 30 , 38 , 46 , 54 , 62 , 70 , 77 , 85 , 96 , 104 , 108 , 112 , 120 , 128 , 136 , 143 , 148 , 156 , 164 , 168 , 172 , 180 , 184 )
– Note: Calculation of the leg as shown on DDR slot , RAM is divided into two zones , you have to slot DDR long zone to the left , right short zone , counting from left to right leg in the second row before order from 1 , 2 , 3 … . count to 92 then from left to right on from line 93 , 94 , 95 … . to 184 .
– Discussion of lqv77: 143 feet and noticed a 54 foot position is very easy to remember . How to plug in the opposite position against buckling in the middle of a foot . This is to determine the source of truth for the kind of RAM as RAM or DDR2 SDRAM …
- The voltage leg of DDR 2 slots
- The legs of the power supply slots DDR2 – voltage is 1.8 V
– Slot DDR2 is 240 feet , the voltage level is 1.8 V to the DDR2 slot and go to several feet above the power supply to the leg slots DDR2
– Note: Calculation of the leg as shown on the DDR2 slot , RAM is divided into two zones , you long for citrus DDR2 slots on the left , a short zone on the right , counting from left to right leg in the second row before themselves from one , two , three … . then count to 120 from left to right on from line 121 , 122nd , 123rd … . to 240 .– Discussion of lqv77: foot note 182 , 186 and 66 feet is very easy to remember location . How to plug in the opposite position against buckling in the middle of a foot . This is easy to identify the source leg of RAM for other kinds of RAM or DDR1 SDRAM … - The leg voltages of 3 DDR slots
- power supply pins of the slot DDR3 – voltage is 1.5 V
– Slot DDR2 is 240 feet , the voltage level is 1.5 V for DDR3 slots and into more feet above the power supply pins for DDR3 slots
– Note: The veracity of the DDR3 slots as shown above , payment of RAM is divided into two zones , you leave a short segment DDR3 slots left side , nose to the right length , counting left to right foot in the second row before order from 1 , 2 , 3 … . 120 after which counting from left to right in row over from 121 , 122 , … 123 . to 240 .
– Discussion of lqv77: foot note 170 and 51 is very easy to remember location . How to plug in the opposite position against buckling in the middle of a foot or two . This is to determine the source of truth for the kind of RAM as RAM or DDR1 SDRAM , DDR2 … (lqv77 I use this definition ) - Location of power supply voltage stabilizer circuit for memo
supply voltage stabilizer circuit for RAM is usually located near the RAM slots , so a light circuit and Mosfet driver IC voltage stabilizer , principles of circuit operation completely similar to the chipset voltage stabilizer circuit
Block diagram of the circuit stable voltage for RAM
Logic circuit diagram of voltage stabilizer bar source for DDR
-
Light sources for RAM Voltage Mosfet
- source voltage stabilizer circuit for RAM on Gigabyte motherboard 8I845Pe
source control circuit for use RAM IC – W83310 and light Mosfet
components standing around RAM slots
components standing around RAM slots
Logic circuit diagram of steady pressure on the motherboard for RAM GIGABYTE 8I845PE
use IC – W – 83 310 3 port control , voltage stabilizer circuit for a port RAM using the 2.5 V
-
Leg of the IC 20 – 83 310 W – lamp control Mosfet ( Q1 ) opens voltage 2.5 V for DDR bar
- Method to determine voltage stabilizer for light Mosfet RAM– When we see a lot of standing near slit lamp Mosfet RAM then determine exactly where the light is steady pressure for RAM or more difficult.
– The simplest way is that you measure from one foot to foot vdd of the RAM slots S of the light around , then to light something that has become resistant to 0 , that is the lamp voltage stabilizer for RAM
Clocks in the month x 1 Ω measured from one leg to power the RAM of the legs S
Mosfet lights around , if the impedance of 0 Ω , that is the lamp voltage for RAM stability
Mosfet lights around , if the impedance of 0 Ω , that is the lamp voltage for RAM stability
-
Clocks in the month x 1 Ω measured from one leg to power the RAM of the legs S
Mosfet lights around , if resistance > 0 Ω , it is not light steady pressure to the RAM
Answer Questions about the RAM voltage stabilizer circuit
- Question 1 – When you lose power for RAM , the machine can show what ?Answer:
– When you lose power for the RAM at boot – RAM machine with an error beep length emitted continuously , not on the computer screen , I tried a rather well but RAM remains the same phenomenon . - Question 2 – How to quickly determine where the light steady pressure to the RAM ? Answer:
– To determine the lamp voltage stabilizer for fast RAM you rely on leg power the RAM ( foot vdd )* The legs power the DDR slots -
-
* The power supply to the foot of DDR2 slots
-
-
The legs power the DDR3 slots
-
Let the clock in scale x 1Ω measured from one foot powered ( vdd ) to the foot of the RAM slots S of the lights around Mosfet RAM slots , if measured to the foot of the lamp which S resistance to 0 , that light pressure is stable for RAM
- Question 3 – How to determine light Mosfet driver IC for RAM voltage stabilizer ?Answer:
– Be sure to measure from foot ladder 1Ω x G and S ‘s leg to the foot of the IC Mosfet lights nearby , if there is a foot for the impedance 0Ω with it is that Mosfet driver IC .For example in the leg arteries below the G and S are foot to foot through the driver IC
Question 4 – If you lose power for RAM , the machine is booted and can not express what ?Answer:
– Most cases of loss of supply voltage for the RAM still boot machine and give an error message at the beep with speakers .
– However there are some cases computer will not boot because some motherboard check the status of the voltage stabilizer circuit for RAM , if the voltage stabilizer circuit for better RAM PWR_OK creating new signals , which signals the chipset south PWR_OK Reset signal generated new system
– Most cases of loss of supply voltage for the RAM still boot machine and give an error message at the beep with speakers .
– However there are some cases computer will not boot because some motherboard check the status of the voltage stabilizer circuit for RAM , if the voltage stabilizer circuit for better RAM PWR_OK creating new signals , which signals the chipset south PWR_OK Reset signal generated new system
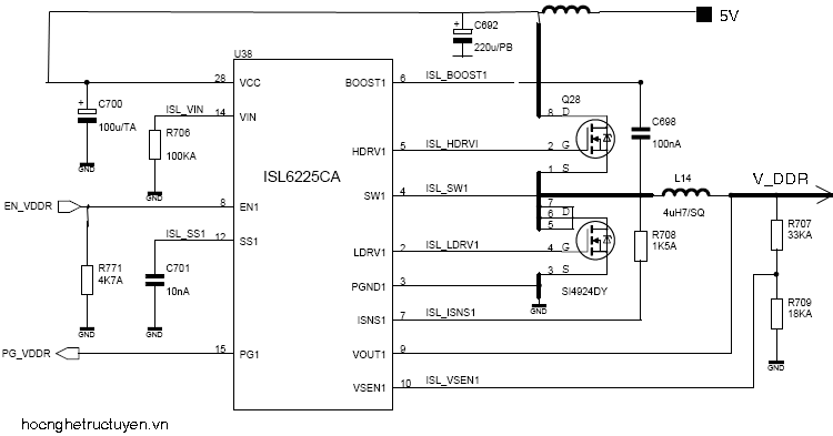
RAM voltage stabilizer circuit for use in the ISL6225 IC – Mosfet and a pair of legs 15 of the IC is a signal
PG_VDDR report logic controller , if it loses power for RAM will lose signal PG_VDDR
Logic circuit protection and will not create signal PWR_OK ( good source levels ) so that men will not Chipset
make the system reset signal .
PG_VDDR report logic controller , if it loses power for RAM will lose signal PG_VDDR
Logic circuit protection and will not create signal PWR_OK ( good source levels ) so that men will not Chipset
make the system reset signal .
-
On some motherboard controller logic testing signals
PWROK_VRM – Circuit for CPU supply voltage stabilizer good
PWROK_ATX – ATX Power works well
PG_VDDR – voltage stabilizer circuit for better RAM
PG_V1V5 – voltage stabilizer circuit for a good chipset
When there are four full signal on the new logic controller given notice PGOOD ( power good ) to report machtao clock pulse , the newspaper reported on PWRGD Chipset Chipset male to male generated Reset signal system
2 – Circuit Voltage source for Video Card AGP 4X , 8X – PCI Express Card
- Supply voltage for the AGP Video Card
– The Video Card AGP 1X , 2X voltage 3.3 V is used , so do not need a voltage stabilizer circuit that uses direct voltage of 3.3 V on the motherboard .
– The AGP 4X and 8X Video Card uses the supply voltage is 1.5 V so we need a voltage stabilizer circuit to reduce voltage from 5V down to 1.5 V or 3.3 V supply for AGP Card - Map 1.5 V power supply legs for 4X and 8X AGP slot
Map 1.5 V power supply to the foot for Video Card AGP 4X , 8X
Control circuit power supply for 1.5 V AGP 4X Video Card , 8X using
pulse voltage source circuit to
-
amplifier circuits using ICs and algorithms to control Mosfet light source for Video Card
(The principle of circuit operation is similar to the chipset voltage stabilizer )
lqv77 discussion of :
– As I lqv77 then it must be the CPU power supply sources for RAM . Even if I feed I’ll check the RAM first. Since the CPU is not installed , had to kick a feed source for the RAM and then ( leg power had RAM ) .
– How to determine the source of fast RAM I have discussed with the above article . Again, how to identify sources of fast RAM
Steeping fight between a RAM mount reverse leg ( always close to the SDRAM and 2 feet for DDR3 )
– Similar to CPU power circuit , if power failure detection RAM back from foot power cable is slow as anything . Many cases of neglect lies in the assembly at the ball even touches the leg and causing exposure of RAM. The MOSFET power IC RAM then the RAM of the pulse source .
* Reminder : This article lqv77 I collected from different hocnghe.com.vn but when you see the article in http://lqv77.com is no registration , login , or waste any cost. In addition you can also download full set of documents for future reference . Furthermore, questions related comments you might meet and get back in the shortest time possible.
















