ASUS F80S Do not charge maintenance
EC IT8725E_L charging chip MAX8725E
One ASUSF80SFriends say no charge apart, no time to repair his So give me. Not charging no one had previously been revised, not sure, but just can practice your hand familiar with familiar with the circuit
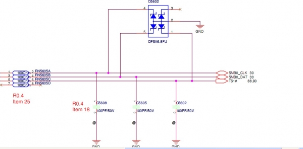
Battery not charging, the battery voltage first Cece10.8V Normal, not short-circuit the battery to determine, first power on, battery excuse5FootSMB0_CLK) M $ _ * M, c6 J0 z5 [‘h * u5 q
2.0v8 |, Y * Z + o, f. W
6Foot SMB0_DAT4 g + A-[! Z, J # y ‘a
3.3V
7Foot TS #Identification signal5V (No access to the battery to high)
2.0v8 |, Y * Z + o, f. W
6Foot SMB0_DAT4 g + A-[! Z, J # y ‘a
3.3V
7Foot TS #Identification signal5V (No access to the battery to high)
ButSMB0_CLK 2.0V Significantly lower ah, to play resistanceSMB0_CLKGround Only100More than Ω, andSMB0_DATThere600More than Ω. In a closer lookSMB0_CLK Then next to a protected chip, the first suspicion is that it is broken, an amount other than the internal diode resistance is low, after removal of theSMBO_CLK As3.3V 。
Access the battery, standby current0.15A Look at the meaning of a charged, but the current is so small, so a find current or0.15ANo change. I thought the battery only10.8V Electrical Should not charge ah. The current situation looks like during the trickle charge ah. So start search Charging chip.
Now I Measured voltage,
1Foot DCIN
19V
19V
2Foot InternalLDO& I w (c + y $ P6 `2 m
5V
5V
3Foot ACINS2 O; N7 G, g
2.2v
2.2v
4FootREF
5V
5V
10Foot ICTL1 e: n # A) e (r-U%} – s9 _: xOnly0.18V* M a7 F% r% ^ / j & H, j5 | 6 rFeeling a bit low charge current setting First put in doubt
11FootVCTL& L6 G j, v: b
1.5V
1.5V
At the same time
CCI
CCS‘V3 a “` “d # V6 r
CCV“B $ G $ d ‘O2 C7 q6?
3Road compensation Ground Feeling are normal
CCI
CCS‘V3 a “` “d # V6 r
CCV“B $ G $ d ‘O2 C7 q6?
3Road compensation Ground Feeling are normal
17、18
CSIN
CSIPAre connected by resistor Also normal8 a-t, G. t (G9 E2 g6 f
25、26
CCSP
CCSN The connection of Total system current sense resistor is also normal.
CSIN
CSIPAre connected by resistor Also normal8 a-t, G. t (G9 E2 g6 f
25、26
CCSP
CCSN The connection of Total system current sense resistor is also normal.
16Feet can also detect the battery voltage Since all normal To find10Call ICTL Why is not it this is the current voltage setting pin Looks like the charge current is too small to me a relationship.
Along10Foot A close look at the schematic Find 2SignalsCHG_EN # PRECHG; K0 x. V9 k * B * c ‘i, M2 s9 FCharge signal And Trickle charge signal Insert the batteryCHG_EN #HighQ8805 Close This signal is normally PRECHG HighQ8806 Conduction This wayICTLThroughR8809Pull at the same timeR8820AndR8804 Parallel partial pressure to10Feet0.18 Seemingly normal. This kept the do not know where to bite. Never seen before because of the failure, so I decided to Connected to the battery into the system to see. Into the system Batteries are not even recognized halo ah. Is the battery bad? I have a chubby just like the battery replaced or “billows” ruled out the battery problem Be easier to concentrate on repair board. Remove to a check again, since it is considered less than batteries, soPRECHG Effective down10CallICTL Also Normal So I decided to check the charge that one has not. |






