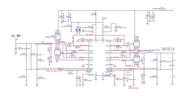
2011-9-3 10:21 upload
2 y: lToday, Taiwan used to have a peer machine Tongfang
Plate No. MS-10121
Say no boot, looked under power, is not only to the current boot is a boot0.03。
Whether he be open to say, 三下五除二 split the opening, the first visual inspection, looked a long time did not find abnormal power0.03Certainly not out of voltage, power, goes to the drawings,
Find+5 VRUNNo
2011-9-3 10:21 upload
Plug, +5 VRUN controlled by RUND first measured 5VSUS and 5VALW is there, follow it2 y: l7 u4 ^ & J $
. RUN_ON by PM_SLP_S3 over by R94, a good amount of resistance, appears to be no issue Southbridge PM_SLP_S3, for Southbridge? ? Is not it, your customers do not repair estimates, and later had thought previously to repair this problem, fly lines, fly a 3.3VSUS, up, power, smooth light machine(L7 L7 K! d3 | 2 [0 _4 I
o8}:] Q, E3 x0 {0 m. Q9 d
* `3? 7 I + | # Z” s2 |: P5, O7% g3 _ v0 O
3 |, E% A + X: F
o8}:] Q, E3 x0 {0 m. Q9 d
* `3? 7 I + | # Z” s2 |: P5, O7% g3 _ v0 O
3 |, E% A + X: F
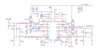
Lenovo Zhaoyang E41G plate number LA_3591P
Standby 0.01 to 0.05 immediately start on power-down. This situation may lead to two, one missing voltage, the second is short, and the player, found on board a little bit into the liquid [evidently] Coca-Cola certainly, but not seriously, handle, or the same in power, In the drawings
Measurement did not find short, there is no power that 1.05V (R * C Q & Q “
Measurement did not find short, there is no power that 1.05V (R * C Q & Q “
^
6227 while controlling two 1.05V and 1.8V
Some 1.8V, 1.05V measured here is not EN3 c8 Q $ R9 + c Q “X5 G4 OR
SUSP # to the 6227’s by the PR147, PR147 off the next test is normal, the measured normal, power, power actually good, not right, is this resistance Weld it? Very depressed, in a multi-tried, and later die, but it seems SUSP # have problems, where thought is not pulled down, the amount of land under the normal, SUSP # is issued by the EC, the EC under conditions of normal volume ,
Feet to pry the EC17 or not, it seems that EC is broken, looking for a long time did not find the EC [swearing *&%¥] fly line * K. h-h3 V. x; ^ 5 i-b T






