This is the 1631 Taiwan-controlled to 11 feet there is +5 V standby voltage ~ (reset PG)
7 feet -28 feet are 3.3v voltage ~ vcc5m
PW will be pressing the standby current of 0.03 jump around 0.3 ~ ~ may need to protect power.
Issued a document-PWRSWITCH pictures in Napian
This is the start switch do? Volume of 3.3 should have a standby voltage of ~ such a body did not ask for A ~
NB will be revised to ask the much ~ it typically is to find someone to
Power connection with the motherboard have the same ~ ~
Such as: which groups of standby .. need electricity? Motherboard on the +5 VBS
NB standby AC power plug that is to find someone to which the power
I want step by step to find ~ take the opportunity to check it works with the motherboard have the same ~
But there is no direction ~
Back to the Argentinian Grand ~ plan goes on in the No. 509 is a La ~
Turn other people’s articles
IBM participate in the system standby management chip are: MAX1631, TB62501, PMH4,
H8 I, work flow analysis:
1, when connected to the power adapter, 16V output to the system through the isolation circuit chip MAX1631 22-foot stand.
2, while the power supply 16V through the resistor, diode transmission to TB62501 57 feet, 34 foot power.
3, TB62501 the power supply, oscillator (internal RC shock 10 feet, 11 feet) to normal 3SW the output voltage to 59 feet to 7 feet PMH4. MAX1631 also 52 feet to 23 feet high given the total open signal.
4, PMH4 in the power supply, oscillator (internal RC shock 25 feet, 26 feet) to normal, 43-pin output 3.3V signal to the MAX1631 high 5M_ON open 7 feet, 28 feet, as well as TB62501 of 63,64 feet. MAX1631 when the normal work, 3M, and 5M standby output voltage.
5, 3M, 5M with output to H8.H8 normal oscillation in the power supply (144,143 feet 10M external crystal oscillator), standby 19 feet high to 3.3V (low signal after pressing the switch to give South Bridge)
6, Southbridge, where electricity 3M, 1R5M (by 1R8M conversion), 32.768KHz crystal oscillator from the state after the system is in standby.
Want to help you
Turn the article at the mainland
http://www.bjbhlzx.com/thread-47382-1-1.html
Power part of the first chapter
Would like to repair a machine, then the first step to have a complete understanding of it, then they can improve their analysis, to find out the problem. A thorough understanding of circuit theory, to determine fault skelter. Like a doctor like you who see the doctor. Let us take a look at the drawings and the IBM T40 motherboard architecture.
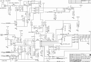
1. Figure 1 for the circuit architecture
Figure 1
2. Figure 2 structure of the motherboard
Figure 2
Well, read the above two figure everyone should have a preliminary understanding T40, then I will give you on down and look at the entire motherboard, power-on process, which is divided into two parts:
1: No power-on boot before the part that is plugged in when you do not press a key to open
Let us in the form of an intuitive picture look at the process of power
Figure 3
When the power plug, there 16V to enter for the DOCK-PWR16, through insurance F2 into DOCK-PWR16_F, IBM board in the design, it’s self-protection capability is very strong, over-current and over voltage can lead to burn out the insurance to protect the other chips on the motherboard will not be burned. DOCK-PWR16_F voltage of 16V voltage front-end, while the rear section of the VINT16 is 16V voltage, which is available to all power chips (including the MAX1631, MAX1845, ADP3205) supply voltage, it produces is controlled by the TB6250. DOCK-PWR16_F from the D10 into VREGINT16 its work after the power supply to the TB6250 to produce VCC3VSW as well as to control the Q34 and Q36 produce VINT16. .
A.
The MAX1631 power-on process produces +3.3 V, +5 V, +12 V
Figure 4, first of all to work properly MAX1631 must have two conditions,
1: VINT16 supply MAX1631 supply voltage of 22 feet,
2: Control voltage 2
a.
PMH4 controlled by VCC5M_ON control MAX1631 7 feet and 28 feet
b.
Feedback control signals control the MAX1631 temperature protection to 23 feet, which consists of CPU and temperature control chip from time to time monitor, no one will be turned off with unusual MAX1631, so as to achieve self-protection effect. Shown in Figure 5 and 6
The above working conditions, and other parts no problem, then three voltage produced.
Figure 4
Figure 5
Figure 6
B.
The MAX1845 power-on process produces +1.2 V
Figure 7, first of all to work properly MAX1845 must have two conditions,
1: power supply voltage 2, VINT16 supply MAX1845 4-feet, as well as VCC5M supply MAX1845 9 feet, 21 feet and 22 feet.
2: The control voltage is relatively simple, direct from the supply voltage VCC5M resistor R658 controls MAX1845 by 11 feet.
Figure 7
The above working conditions, and other parts no problem, then +1.2 V came into being.
C.
The MAX1845 power-on process produces +1.8 V
Figure 8, first of all to work properly MAX1845 must have two conditions,
1: power supply voltage 2, VINT16 supply MAX1845 4-feet, as well as VL5 supply MAX1845 9 feet, 21 feet and 22 feet.
2: Control voltage 2
a.
PMH4 controlled by the MAX1845’s 11 feet VCC1R8M_ON control.
b.
PMH4 controlled by a 6-foot B_ON control MAX1845
Figure 8
All this pre-boot voltages have been published, for the work of other chips. So, the next South Bridge Work has also begun to embark on the open key to start the process of power.
2: The power part of the boot that is the key to plug in the power press after the opening
From now on South Bridge, it began to play an important role, it is the machine’s power control center. So let us first of all pictures in the form of an intuitive look at the control of power by the South Bridge process.
Figure 9
Southbridge voltage supply, as well as in the preceding paragraph under the action of a crystal to work. After you press start button to give a turn signal PMH4, then PMH4 will be issued PWRSW to H8, H8 working normal notice will be issued PWRSW_H8 to the South Bridge South Bridge All front-end voltage is OK, can perform the actions of the boot. Southbridge will be issued when SLP signal can be opened to PMH4 notice PMH4 voltage of the posterior segment (here want to clarify is Southbridge If there is no order, no one can open the back-voltage). three groups of SLP the signal is very important in the system are the sleep and standby state of this control, but now I will not speak these will be mentioned later. PMH4 then received the order to begin to control Southbridge three group
s produce their own voltage MAX1845 and notified the TB6250 to control systems required for other voltages (which is part of the circuit is very simple, just like the switch circuit by sending a high TB6250 tube to turn to the MOS, so that there is a voltage generator to another voltage) . then talk about the three groups on key MAX1845 voltage generated works.
A.
MAX1845 generate VCCVIDEOCORE
MAX1845 has produced prior to 1.8V (preceding paragraph C). Now PMH4 will produce another under the control of a voltage VCCVIDEOCORE, shown in Figure 10, MAX1845’s first 12 feet controlled by PMH4.
Figure 10
B.
MAX1845 generate 2.5V and 1.25V
Figure 11 is a schematic diagram of the MAX1845 produces 2.5V, all of which supply voltage and control signals (from PMH4 control) with the after effects generated.
Figure 11
Figure 12
C.
MAX1845 generate VCCCPUIO
MAX1845 has produced prior to 1.2V (preceding paragraph B). Now PMH4 will produce another under the control of a voltage VCCCPUIO, shown in Figure 13, MAX1845’s first 12 feet controlled by PMH4.
Figure 13
With the previous two groups MAX1845 The difference is that this MAX1845 voltage in the production VCCCPUIO its first seven feet will produce a PWRGD signal VTT_PWRGD to the ADP3205 to control the CPU voltage is generated. Then down the CPU voltage on the analysis of the production process. D.
ADP3205 produces VCCCPUCORE
Figure 14 is a schematic work of CPU voltage, which is a ADP3205 and the A, B two sets of MOS pipe combination produced VCCCPUCORE.
Figure 14
The key players here explain the ADP3205 works. Figure 15
Like other voltage-chip ADP3205 should also have power supply voltage and control signals. There VCC3B into VCC3B_ADP3250 through a resistor to the ADP3205 power. PWRGD signal generated by the MAX1845 and PMH4 issued VTT_PWRGD control signals to control the VCORE_ON composition ADP3205. The only difference is that there are six groups of ADP3205 control signal directly from the CPU to control, CPU to work on in different states regulate CPU voltage. When the CPU voltage ADP3205 will be issued after the election of two very important signal, one is CLK_ENABLE signal, it is sent to the clock control chip, the work required to notify their generating system All CLK signal; the other is VR_PWRGD signal, it is sent to South Bridge, to inform their systems needed to generate all the voltages are then sent PCIRST Southbridge notification system to other chips (Northbridge, network cards, etc.) reset, reset issued CPURST Northbridge informed the CPU reset, this all of the chips are reset, then the CPU will begin to BIOS addressing system to work.
[ª Ìû] current law to determine current, Southbridge, memory, chip, power
Standby (0.01-0.10)
1. According to the first boot after a power management chip to give the starting signal, separate ways starting voltage supply “current jump 2-3 times”
2. Southbridge to be triggered by the signal began to supply, Southbridge self-diagnosis and integrity of the “current jump”
3. Southbridge re-scheduled for the external device initialization, South Bridge replacement Northbridge “current jump”
4. Northbridge starting power, Northbridge self-diagnosis and integrity of the “current jump”
5 .. Northbridge Reset CPU <current-hopping “
6.CPU supply “current jump”
7.CPU testing integrity, CPU to the Northbridge work well signal “current jump”
8. North Bridge Re-memory “current jump”
9. Northbridge Reset card “current jump”
10. Memory Power “voltage jump”
11. Graphics Supply “current jump”
12. 360K memory test the integrity of “current jump”
13. Graphics test the integrity of “current jump”
14.18.19. Taking of BIOS, LOGO interface, CPU simple operation, PWGOOD signals
15. Screen Power “current jump”
16. Graphics signals
Boot times after every power-up, will take his current slowly increased, and we want to increase power through his transition to determine which part of a problem ….
Above, the process of writing a lot of power, there is really no need to note down the 11, as long as several major components in mind when you jump on the power can be ..
As an example to IBMT4X
Standby 0.03 – Boot 0.10-0.25 – 0.26-0.54 Southbridge – Northbridge 0.55-0.58 – CPU0.59-0.75 – Memory 0.60-0.70 – 0.65-0.85 graphics display screen 0.86-1.20 (current only as reference)
Here a north and south bridge, while the boot CPU memory cards such as electrical circuits have been added, so the detection part of their major concerns could be ..
Here is more difficult to judge between the video card and memory, because they are basically the same time, the detection operation, so it will be detected when they see the synchronous current 0.65 jump 0.68 to 0.65 of the jump change in the transition 0.68 0.65 0.68, etc. loop jump three times, it is interesting ~~!….
However, in the same period of current or show unusual is hard to determine when the fault, we can unplug the memory connected to the external speakers to see whether the alarm memory, or press law to judge …..
7 feet -28 feet are 3.3v voltage ~ vcc5m
PW will be pressing the standby current of 0.03 jump around 0.3 ~ ~ may need to protect power.
Issued a document-PWRSWITCH pictures in Napian
This is the start switch do? Volume of 3.3 should have a standby voltage of ~ such a body did not ask for A ~
NB will be revised to ask the much ~ it typically is to find someone to
Power connection with the motherboard have the same ~ ~
Such as: which groups of standby .. need electricity? Motherboard on the +5 VBS
NB standby AC power plug that is to find someone to which the power
I want step by step to find ~ take the opportunity to check it works with the motherboard have the same ~
But there is no direction ~
Back to the Argentinian Grand ~ plan goes on in the No. 509 is a La ~
Turn other people’s articles
IBM participate in the system standby management chip are: MAX1631, TB62501, PMH4,
H8 I, work flow analysis:
1, when connected to the power adapter, 16V output to the system through the isolation circuit chip MAX1631 22-foot stand.
2, while the power supply 16V through the resistor, diode transmission to TB62501 57 feet, 34 foot power.
3, TB62501 the power supply, oscillator (internal RC shock 10 feet, 11 feet) to normal 3SW the output voltage to 59 feet to 7 feet PMH4. MAX1631 also 52 feet to 23 feet high given the total open signal.
4, PMH4 in the power supply, oscillator (internal RC shock 25 feet, 26 feet) to normal, 43-pin output 3.3V signal to the MAX1631 high 5M_ON open 7 feet, 28 feet, as well as TB62501 of 63,64 feet. MAX1631 when the normal work, 3M, and 5M standby output voltage.
5, 3M, 5M with output to H8.H8 normal oscillation in the power supply (144,143 feet 10M external crystal oscillator), standby 19 feet high to 3.3V (low signal after pressing the switch to give South Bridge)
6, Southbridge, where electricity 3M, 1R5M (by 1R8M conversion), 32.768KHz crystal oscillator from the state after the system is in standby.
Want to help you
Turn the article at the mainland
http://www.bjbhlzx.com/thread-47382-1-1.html
Power part of the first chapter
Would like to repair a machine, then the first step to have a complete understanding of it, then they can improve their analysis, to find out the problem. A thorough understanding of circuit theory, to determine fault skelter. Like a doctor like you who see the doctor. Let us take a look at the drawings and the IBM T40 motherboard architecture.
1. Figure 1 for the circuit architecture
Figure 1
2. Figure 2 structure of the motherboard
Figure 2
Well, read the above two figure everyone should have a preliminary understanding T40, then I will give you on down and look at the entire motherboard, power-on process, which is divided into two parts:
1: No power-on boot before the part that is plugged in when you do not press a key to open
Let us in the form of an intuitive picture look at the process of power
Figure 3
When the power plug, there 16V to enter for the DOCK-PWR16, through insurance F2 into DOCK-PWR16_F, IBM board in the design, it’s self-protection capability is very strong, over-current and over voltage can lead to burn out the insurance to protect the other chips on the motherboard will not be burned. DOCK-PWR16_F voltage of 16V voltage front-end, while the rear section of the VINT16 is 16V voltage, which is available to all power chips (including the MAX1631, MAX1845, ADP3205) supply voltage, it produces is controlled by the TB6250. DOCK-PWR16_F from the D10 into VREGINT16 its work after the power supply to the TB6250 to produce VCC3VSW as well as to control the Q34 and Q36 produce VINT16. .
A.
The MAX1631 power-on process produces +3.3 V, +5 V, +12 V
Figure 4, first of all to work properly MAX1631 must have two conditions,
1: VINT16 supply MAX1631 supply voltage of 22 feet,
2: Control voltage 2
a.
PMH4 controlled by VCC5M_ON control MAX1631 7 feet and 28 feet
b.
Feedback control signals control the MAX1631 temperature protection to 23 feet, which consists of CPU and temperature control chip from time to time monitor, no one will be turned off with unusual MAX1631, so as to achieve self-protection effect. Shown in Figure 5 and 6
The above working conditions, and other parts no problem, then three voltage produced.
Figure 4
Figure 5
Figure 6
B.
The MAX1845 power-on process produces +1.2 V
Figure 7, first of all to work properly MAX1845 must have two conditions,
1: power supply voltage 2, VINT16 supply MAX1845 4-feet, as well as VCC5M supply MAX1845 9 feet, 21 feet and 22 feet.
2: The control voltage is relatively simple, direct from the supply voltage VCC5M resistor R658 controls MAX1845 by 11 feet.
Figure 7
The above working conditions, and other parts no problem, then +1.2 V came into being.
C.
The MAX1845 power-on process produces +1.8 V
Figure 8, first of all to work properly MAX1845 must have two conditions,
1: power supply voltage 2, VINT16 supply MAX1845 4-feet, as well as VL5 supply MAX1845 9 feet, 21 feet and 22 feet.
2: Control voltage 2
a.
PMH4 controlled by the MAX1845’s 11 feet VCC1R8M_ON control.
b.
PMH4 controlled by a 6-foot B_ON control MAX1845
Figure 8
All this pre-boot voltages have been published, for the work of other chips. So, the next South Bridge Work has also begun to embark on the open key to start the process of power.
2: The power part of the boot that is the key to plug in the power press after the opening
From now on South Bridge, it began to play an important role, it is the machine’s power control center. So let us first of all pictures in the form of an intuitive look at the control of power by the South Bridge process.
Figure 9
Southbridge voltage supply, as well as in the preceding paragraph under the action of a crystal to work. After you press start button to give a turn signal PMH4, then PMH4 will be issued PWRSW to H8, H8 working normal notice will be issued PWRSW_H8 to the South Bridge South Bridge All front-end voltage is OK, can perform the actions of the boot. Southbridge will be issued when SLP signal can be opened to PMH4 notice PMH4 voltage of the posterior segment (here want to clarify is Southbridge If there is no order, no one can open the back-voltage). three groups of SLP the signal is very important in the system are the sleep and standby state of this control, but now I will not speak these will be mentioned later. PMH4 then received the order to begin to control Southbridge three group
s produce their own voltage MAX1845 and notified the TB6250 to control systems required for other voltages (which is part of the circuit is very simple, just like the switch circuit by sending a high TB6250 tube to turn to the MOS, so that there is a voltage generator to another voltage) . then talk about the three groups on key MAX1845 voltage generated works.
A.
MAX1845 generate VCCVIDEOCORE
MAX1845 has produced prior to 1.8V (preceding paragraph C). Now PMH4 will produce another under the control of a voltage VCCVIDEOCORE, shown in Figure 10, MAX1845’s first 12 feet controlled by PMH4.
Figure 10
B.
MAX1845 generate 2.5V and 1.25V
Figure 11 is a schematic diagram of the MAX1845 produces 2.5V, all of which supply voltage and control signals (from PMH4 control) with the after effects generated.
Figure 11
Figure 12
C.
MAX1845 generate VCCCPUIO
MAX1845 has produced prior to 1.2V (preceding paragraph B). Now PMH4 will produce another under the control of a voltage VCCCPUIO, shown in Figure 13, MAX1845’s first 12 feet controlled by PMH4.
Figure 13
With the previous two groups MAX1845 The difference is that this MAX1845 voltage in the production VCCCPUIO its first seven feet will produce a PWRGD signal VTT_PWRGD to the ADP3205 to control the CPU voltage is generated. Then down the CPU voltage on the analysis of the production process. D.
ADP3205 produces VCCCPUCORE
Figure 14 is a schematic work of CPU voltage, which is a ADP3205 and the A, B two sets of MOS pipe combination produced VCCCPUCORE.
Figure 14
The key players here explain the ADP3205 works. Figure 15
Like other voltage-chip ADP3205 should also have power supply voltage and control signals. There VCC3B into VCC3B_ADP3250 through a resistor to the ADP3205 power. PWRGD signal generated by the MAX1845 and PMH4 issued VTT_PWRGD control signals to control the VCORE_ON composition ADP3205. The only difference is that there are six groups of ADP3205 control signal directly from the CPU to control, CPU to work on in different states regulate CPU voltage. When the CPU voltage ADP3205 will be issued after the election of two very important signal, one is CLK_ENABLE signal, it is sent to the clock control chip, the work required to notify their generating system All CLK signal; the other is VR_PWRGD signal, it is sent to South Bridge, to inform their systems needed to generate all the voltages are then sent PCIRST Southbridge notification system to other chips (Northbridge, network cards, etc.) reset, reset issued CPURST Northbridge informed the CPU reset, this all of the chips are reset, then the CPU will begin to BIOS addressing system to work.
[ª Ìû] current law to determine current, Southbridge, memory, chip, power
Standby (0.01-0.10)
1. According to the first boot after a power management chip to give the starting signal, separate ways starting voltage supply “current jump 2-3 times”
2. Southbridge to be triggered by the signal began to supply, Southbridge self-diagnosis and integrity of the “current jump”
3. Southbridge re-scheduled for the external device initialization, South Bridge replacement Northbridge “current jump”
4. Northbridge starting power, Northbridge self-diagnosis and integrity of the “current jump”
5 .. Northbridge Reset CPU <current-hopping “
6.CPU supply “current jump”
7.CPU testing integrity, CPU to the Northbridge work well signal “current jump”
8. North Bridge Re-memory “current jump”
9. Northbridge Reset card “current jump”
10. Memory Power “voltage jump”
11. Graphics Supply “current jump”
12. 360K memory test the integrity of “current jump”
13. Graphics test the integrity of “current jump”
14.18.19. Taking of BIOS, LOGO interface, CPU simple operation, PWGOOD signals
15. Screen Power “current jump”
16. Graphics signals
Boot times after every power-up, will take his current slowly increased, and we want to increase power through his transition to determine which part of a problem ….
Above, the process of writing a lot of power, there is really no need to note down the 11, as long as several major components in mind when you jump on the power can be ..
As an example to IBMT4X
Standby 0.03 – Boot 0.10-0.25 – 0.26-0.54 Southbridge – Northbridge 0.55-0.58 – CPU0.59-0.75 – Memory 0.60-0.70 – 0.65-0.85 graphics display screen 0.86-1.20 (current only as reference)
Here a north and south bridge, while the boot CPU memory cards such as electrical circuits have been added, so the detection part of their major concerns could be ..
Here is more difficult to judge between the video card and memory, because they are basically the same time, the detection operation, so it will be detected when they see the synchronous current 0.65 jump 0.68 to 0.65 of the jump change in the transition 0.68 0.65 0.68, etc. loop jump three times, it is interesting ~~!….
However, in the same period of current or show unusual is hard to determine when the fault, we can unplug the memory connected to the external speakers to see whether the alarm memory, or press law to judge …..
















