| Received a standby current of 0 IBMR50E thought this machine is to protect the general good repair failed in isolation or M -level voltage is not right Disassemble measurements did not 3. 3v 5v switching office did not 3.3v It appears tb62501 did not work did not issue a 3.3v sw measurement u61 start drawing the pin59 voltage produced no 3.3v sw tb the 57pin voltage measurement shows u61 no power supply 0v |
After the plug replacement standby 0.02 3.3M 5M has normal , but this is the second machine for not that simple
Really do not switch on electrical measuring voltage 3.3v Department pwrsw have normal h8 the 20pin-PWRSW power button has been hopping the 19pin-PWRSW_H8 press the power button does not respond to the working conditions should not have h8
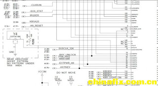
Really do not switch on electrical measuring voltage 3.3v Department pwrsw have normal h8 the 20pin-PWRSW power button has been hopping the 19pin-PWRSW_H8 press the power button does not respond to the working conditions should not have h8Incidentally, the 18pin SUSCLK_32K measuring about h8 not wave this wave should be sent to the South Bridge South Bridge does not work correctly It looks turn to check the working conditions of South Bridge
As the power supply 3M 5M is also normal vccrtc 3.3v rtcrst 32.768 South Bridge 3.3v VBIAS normal normal clock waveform
Charles South Bridge aa6 rsmrst the signal to 0.8v abnormal generated by tb62501 MPWRG tb62501 detected
VCC3M VCC5M VDD15 3M-ON 5M-ON in the internal phase to the normal signals sent mpwrg detect these are normal The working conditions of TB should have at least a while mpwrg at 0.8v is not normal search on the pull-up resistor r589 is normal for the signal are connected to the pmh4 18pin tb62501 51pin d83 2pin South Bridge, the four components were disconnected from these Components retained r859 pull up resistor voltage to 1.2v or so because the normal pull-up resistor is definitely a device or a more down this voltage disconnect pmh4 tb d83 were dumbfounded even the South Bridge or not to play the normal power r859 ‘s 1pin It appears there is resistance short-circuit the pcb Contact customers for customers do not want to repair the board had to see if I can repair were cut off South Bridge Tilt tb62501 the 51pin and r859 And d83 of 2pin Flying cable tb respectively the 51pin pmh4 the 18pin d83 ‘s 2pin resistor r859 is not short of non- 3.3v Southbridge Voltage restored to 3.3v then short the power button the current rise from 0.02 to 0.05 It appears to power seemingly half the battle Begin processing the following Southbridge These efforts are ably assisted by the laughter laugh at what he said here, thanks The last link in the South Bridge The link is like Plug in the power susclk already have mpwrg waveform is normal Open when power to the power-down weighs 0.4a It appears there are other issues we should give up the thought of whether or not the cpu not on this machine it installed cpu cpu power-down current has been fun to run up a light machine |



















